
1、发电厂和变电所的主接线的基本要求
通常,发电厂和变电所的主接线应满足下列基本要求:
1)根据系统和用户的要求,保证必要的供电可靠性和电能质量。在运行中供电被迫中断的机会越少,则主接线的可靠性就越高。
2)主接线应具有一定的灵活性和以适应电力系统及主要设备的各种运行工况的要求,此外还要便于检修。
3)主接线应简单明了,运行方便,使主要元件投入或切除时所需的操作步骤最少。
4)在满足上述要求的条件下投资和运行费用最少。
5)具有扩建的可能性。
当进出线数较多时(大于4回),为了便于电能的汇集和分配,常设置母线作为中间环节。
包括:单母线接线、双母线接线、3/2接线、4/3接线、变压器母线组接线。
当进出线数较少时(小于等于4回),为了节省投资,可不设母线。
包括:单元接线、桥形接线、角形接线。

2、电气主接线的几种方式
一、单母线接线
只有一组母线的接线称为单母线接线,如图1所示。

单母线接线的特点是电源和供电线路都连接在同一组母线上。为了便于投入或切除任何一条进、出线,在每条引线上都装有可以在各种运行工况下开断或接通电路的断路器(如图1中的DL1)。当需要检修断路器而又保证其他线路正常供电时,在每个断路器的两侧装设隔离开关(G1~G4)。
隔离开关的作用只是保证检修断路器时和其他带电部分隔离,而不能用来切除电路中的电流。由于断路器具有灭弧装置,而隔离开关没有,所以在操作时,隔离开关应遵循“先通后断”的原则:接通电路时,应先合上隔离开关;而后合上断路器;开断电路时,应先断开断路器,而后断开隔离开关。此外,隔离开关可在等电位状态下进行操作。工业电气设计培训课程(详情打开查看)

单母线接线的主要优点:简单、明显,操作方便,不易发生误操作,投资少,便于扩建。
单母线的主要缺点:当母线隔离开关发生故障或检修时必须断开全部电源,造成整个装置停电。此外,当出现断路器检修时,也必须在整个检修期间停止该回路的工作。由于上述缺点的存在,使得单母线接线无法满足对重要用户供电的要求。
单母线接线适用范围: 适用于6~220kV系统中,只有一台发电机或一台主变压器,且出线回路数不多的中小型发电厂或变电站。电气设计培训课程(详情打开查看)
二、单母线分段接线
单母线接线的缺点可以通过分段办法来加以克服,如图2所示。

当在母线中间装设一个断路器后,即把母线分为两段,这样对重要用户可以由分别接在两段母线上的两条线路供电,当任一段母线故障时,都不至于使重要用户全部停电。另外,对两段母线可以分别进行清扫和检修,可以减少对用户停电。
由于单母线分段接线既保留了单母线接线本身的简单、经济、方便等优点,又在一定程度上客服了它的缺点,运行灵活性有所提高(可以并列运行,也可以分列运行),因此这种接线方式一直被广泛应用。
但是单母线分段接线也有较显著的缺点,这就是当一段母线或任一母线隔离开关发生故障或检修时,该母线上所连接的全部引线都要在检修期间长期停电。显然,对于大容量发电厂和枢纽变电所,这都是不容许的。
单母线分段接线适用范围:适用于中小容量发电厂的6~10kV接线和6~220kV的变电站中。
三、单母线带旁路母线接线
单母线带旁路母线接线如图3所示。

旁路母线的作用:可以不停电检修任一进、出线断路器。
不停电检修断路器QF1的步骤:
1)用旁路断路器QF0对旁路母线W2充电,合QSp1、QSp2,再合GFp。
2)充电成功后,使出线断路器QF1与旁路断路器QF0并列运行,合QS13。
3)退出断路器QF19,拉QF1、QS12、QS11。
4)QF1两侧挂地线(或者合地刀),检修。箱变/成套电气高低压柜设计培训课程
架设旁路母线的原则:
1)10kV线路一般不架设,原因为:重要用户由双电源供电;10kV断路器价格低,可设专用备用断路器,手车式断路器。
2)35kV线路一般不架设,原因同上,但下列情况也可以考虑:出线回路数很多时(大于8回);有较重要的用户且单电源供电。
3)110kV及以上线路出线较多时,一般均架设,原因是:断路器检修时间长(5~7天);线路停电影响范围大。
4)中小型水电厂不架设旁路母线,原因:断路器检修安排在苦水季节。
四、双母线接线
双母线接线方式是针对单母线分段接线的缺点而提出来的,其基本接线形式如图4所示,即除了工作母线1之外还增设了一组备用母线2。

由于有两组母线,可以做到相互备用。两组母线之间用母线联络断路器DL连接起来,每一个回路都通过一只断路器和两只隔离开关接到两组母线上。当运行时,接至工作母线上的隔离开关接通,接至备用母线上的隔离开关断开。
双母线接线的特点:
1)轮流检修母线而不致使供电中断。当修理任一回路的母线隔离开关时只断开该回路。
2)工作母线故障时,可将全部回路转移到备用母线上,从而使装置迅速恢复供电。
3) 修理任何一个回路的断路器时,不致使该回路的供电长期中断。
4)在个别回路的断路器需要单独进行试验时,可将该回路分出来,并单独接至备用母线上。
双母线接线的最重要操作是切换母线。下面以检修工作母线和出线断路器为例来说明其操作步骤。
(1)检修工作母线
要检修工作母线必须将所有电源和线路都换接到备用母线上去。为此,首先应检查备用母线是否完好,方法是先接通母线联络断路器DL使备用母线带电。如备用母线存在绝缘不良或故障时,则断路器在继电保护装置作用下自动断开;当备用母线无故障时,DL即保持在接通状态。这时由于两组母线是等电位的,可以先接通备用母线上的所有隔离开关,再断开工作母线上的所有隔离开关,这样就完成了母线的转换。最后,还必须断开母线联络断路器DL以及它和工作母线之间的隔离开关。以便隔离起来,进行检修。
(2)检修一条出线上的断路器

当检修任何一条出线上的断路器而不希望该线路长时间停电时,例如图5中当检修出线L的断路器时,可先用母线联络断路器DL1试验备用母线良好,即断开DL1,随后断开DL2及两侧的隔离开关G1和G2,再拆开断路器DL2的引线接头,并用临时跨条代替断路器DL2,然后接通与备用母线相连的隔离开关G3,再合上线路侧隔离开关G1,最后合上母线联络断路器DL1,于是线路L重新投入运行。这时母线联络断路器代替了线路断路器的功能,使得线路L得以继续供电。
综上所述可知,双母线的主要优点是可以在不影响供电的情况下对母线系统进行检修。但双母线接线却存在着下列缺点:
1)接线较复杂。为了发挥双母线接线的优点,必须进行大量的切换操作,特别是把隔离开关当成了一种操作电器,容易因为误操作而酿成较大的事故。
2)当工作母线故障时,在切换母线的过程中仍要短时停电。检修断路器时尽管可以用母线联络断路器来代替,但是装接跨条期间仍需短时停电,这种停电对重要用户是不容许的。
3)母线隔离开关数较单母线接线大为增加,从而增大配电装置占地面积,增大投资。
五、双母线带旁路母线的接线
为了避免在检修线路断路器时造成短时停电,可采用双母线带旁路母线的接线,如图6所示。

图6中母线3为旁路母线,断路器DL1为接到旁路母线的断路器,正常运行时它处于断开位置。当需要检修任何一个线路断路器时,可用DL1来代替而不致造成停电。例如,当需要对线路L上的断路器DL2进行检修时,可以先合上断路器DL1使旁路母线带电,然后再合上旁路母线隔离开关G4,最后再断开线路断路器DL2,再切断隔离开关G1、G2、G3后,即可对DL2进行检修。
在以上介绍的单母线和双母线接线中,断路器的数目一般都大于所连接回路的数目。由于高压断路器的价格昂贵,所需的安装占地面积也大,特别当电压等级越高时,这种情况越明显。因此,从经济方面考虑,力求减少断路器的数目。当引出线不多时,可以考虑采用无母线的桥形接线方式。
当电路只有两台变压器和两条输电线时,采用桥形接线所需的断路器较少。桥形接线可分为“内桥式”和“外桥式”两种。
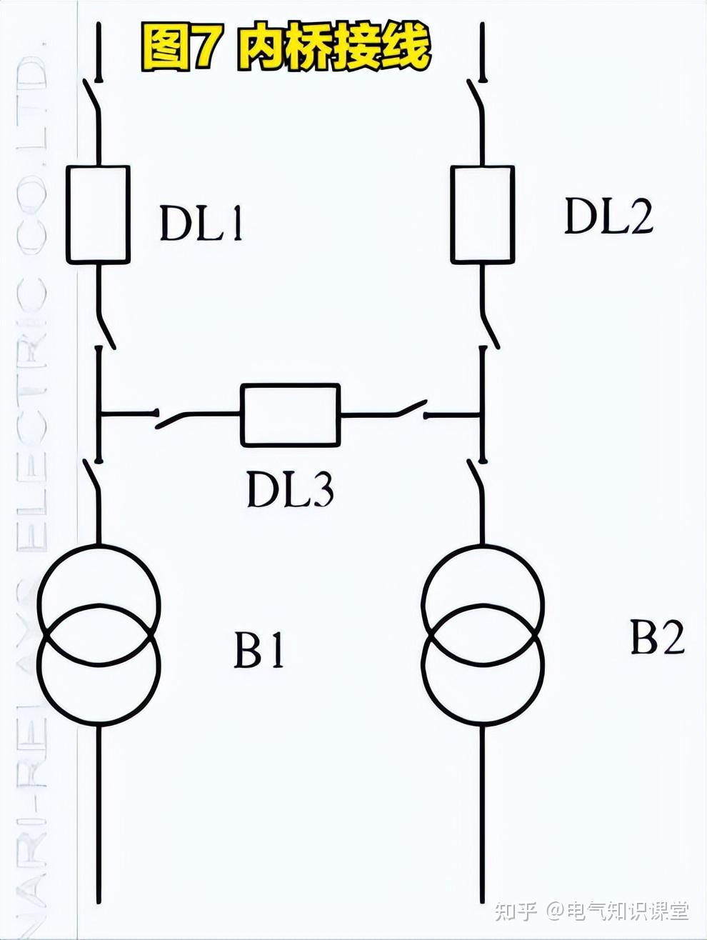
(1)内桥接线
内桥接线的线路图如图7所示。

内桥接线的特点是两台断路器DL1和DL2接在线路上,因此线路的断开和投入是比较方便的,当线路发生故障时仅断开该线路的断路器,而另一回线路和两台变压器仍能继续工作。因此,当一台变压器故障时,将断开与变压器相连的两个断路器,使相关线路短时退出工作。因此,这种界限一般适用于线路较长和变压器不要求经常切换的情况。
(2)外桥接线
外侨接线的线路图如图8所示。

外桥接线的特点则与内桥接线相反,当变压器发生故障或运行中需要断开时,只须断开断路器DL1和DL2,而不致影响线路的工作。可是,当线路发生故障时却要影响到变压器的运行。因而,这种接线适用于线路较短且需要经常切换变压器的情况。一般在降压变电所应用较多。
总的来说,桥形接线可靠性不是很高,有时也需要用隔离开关作为操作电器,但由于使用电器少,布置简单、造价低,目前在35~220kV的配点装置中仍有采用。此外,只要在配电装置的布置上采取适当措施,这种接线有可能发展成单母线或双母线,因此可作为工程初期的一种过渡接线。
另外,还有多角形接线、单元及扩大单元接线等。

